欢迎访问上海允昊自动化设备有限公司官方网站
咨询服务热线:18017687080 18017273008
经验-深耕行业
工期短 / 出货快 / 款式多样 / 满足各行业定制需求
您当前所在的位置:
防爆型风压差变送器

防爆型风压差变送器

该系列产品采用硅压阻式差压芯体组装而成,产品整体为铝合金结构,两个压力接口为Ø6气管接头,可直接安装在测量管道上或通过引压管连接。安装简单,结构小巧轻便,广泛应用于锅炉送风,井下通风等电力、煤炭行业,超净厂房自动化检测压力过程控制。

0.00
0.00
  
商品描述

该系列产品采用硅压阻式差压芯体组装而成,产品整体为铝合金结构,两个压力接口为Ø6气管接头,可直接安装在测量管道上或通过引压管连接。安装简单,结构小巧轻便,广泛应用于锅炉送风,井下通风等电力、煤炭行业,超净厂房自动化检测压力过程控制。


PT2638 风压变送器

产品概述

      风差压变送器是采用硅压阻式差压芯体组装而成,产品 整体为铝合金结构,两个压力接口为Ø6气管接头,可直接安装在测 量管道上或通过引压管连接。安装简单,结构小巧轻便,广泛应用 于锅炉送风,井下通风等电力、煤炭行业,超净厂房自动化检测压 力过程控制。


产品特点

      综合精度高、工作温度范围广、测量微小气体差压值

应用领域

      井下通风、超净厂房、锅炉送风、暖通、空调


性能参数     

量    程

0-100Pa-1KPa-200KPa(可选)

温度补偿

0-85°C

精    度

0.25%FS、0.5%FS、1.0%FS

工作温度

-20-100°C(可选)

输    出

4-20mA、0-5V、1-5V、0-10V

安全过载

200%

供    电

24VDC、9-36VDC

极限过载

500%

过程连接

φ8气管接头(可定制)

温度漂移

0.02%FS/°C

电气连接

防水出线

长期稳定性

0.2%FS/年

负载能力

电流型:R=(U-8V)/0.02Ω

接液材质

铝、陶瓷


产品系列图片   



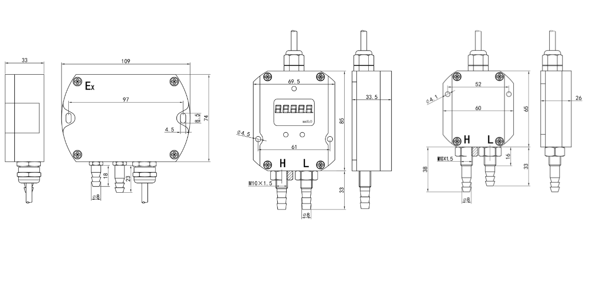
产品系列尺寸图 


产品中心
PRODUCTS
联系我们 →
推荐产品
  • PT2137 小巧型压力变送器
  • PT2651 差压变送器
  • PT2451 隔膜卫生型压力变送器
  • TS4320 温度变送器(航空插件电气连接)
  • LS6255F 卡箍50.5mm 阻抗谱开关
  • TS4330 温度传感器
  • PT2051 微型压力变送器
  • PT2031 微型压力变送器
  • PT8698防爆压差表
  • PT2351 通用型压力变送器-G1/4
  • PT23系列 防腐型压力变送器
  • TT4350 温度变送器φ19(卡箍安装)
  • TT4380 温度变送器(带卡箍)
  • TT4330 温度变送器(防水出线电气连接)
  • PT23 通用型压力变送器
  • PT23 通用型压力变送器
  • PT2357 超高压压力变送器(3/4-16UNF)
  • PT2337 超高压压力变送器
  • PT23 防腐型压力变送器(PTFE)
  • PT23 防腐型压力变送器(PEEK)