欢迎访问上海允昊自动化设备有限公司官方网站
咨询服务热线:18017687080 18017273008
经验-深耕行业
工期短 / 出货快 / 款式多样 / 满足各行业定制需求
您当前所在的位置:
PT2457 齐平膜压力变送器

PT2457 齐平膜压力变送器

PT24X7系列产品是采用应变式传感器芯体设计生产的卫生型 专用压力变送器,合理化的结构设计和严格的品质标准,确保了该 产品的高可靠性和高稳定性。该系列产品具有不锈钢全焊接结构、 无腔全齐平膜、宽量程测量范围和可现场显示等特点。广泛应用于 高黏稠物或有微粒的流体压力测量与控制。

0.00
0.00
  
商品描述

PT24X7系列产品是采用应变式传感器芯体设计生产的卫生型 专用压力变送器,合理化的结构设计和严格的品质标准,确保了该 产品的高可靠性和高稳定性。该系列产品具有不锈钢全焊接结构、 无腔全齐平膜、宽量程测量范围和可现场显示等特点。广泛应用于 高黏稠物或有微粒的流体压力测量与控制。


PT24系列 齐平膜压力变送器

产品概述

      系列产品是采用应变式传感器芯体设计生产的卫生型专用压力变送器,合理化的结构设计和严格的品质标准,确保了该产品的高可靠性和高稳定性。该系列产品具有不锈钢全焊接结构、 无腔全齐平膜、宽量程测量范围和可现场显示等特点。广泛应用于 高黏稠物或有微粒的流体压力测量与控制。


产品特点

      高可靠性、无腔硬平膜、测量范围宽、可选现场显示

应用领域

      泥浆泵、食品医药、石油化工、喷涂造纸设备


性能参数     

量    程

0-1MPa-100MPa(可选)

温度补偿

0-80°C

精    度

0.5%FS、1.0%FS

工作温度

-20-100°C

输    出

4-20mA、0/1-5/10V、0.5-4.5V

安全过载

150%

供    电

5VDC、24VDC、9-36VDC

极限过载

200%

过程连接

M20*1.5、G1/2、M27*2、DN1.5”卡箍(可定制)

温度漂移

0.02%FS/°C

电气连接

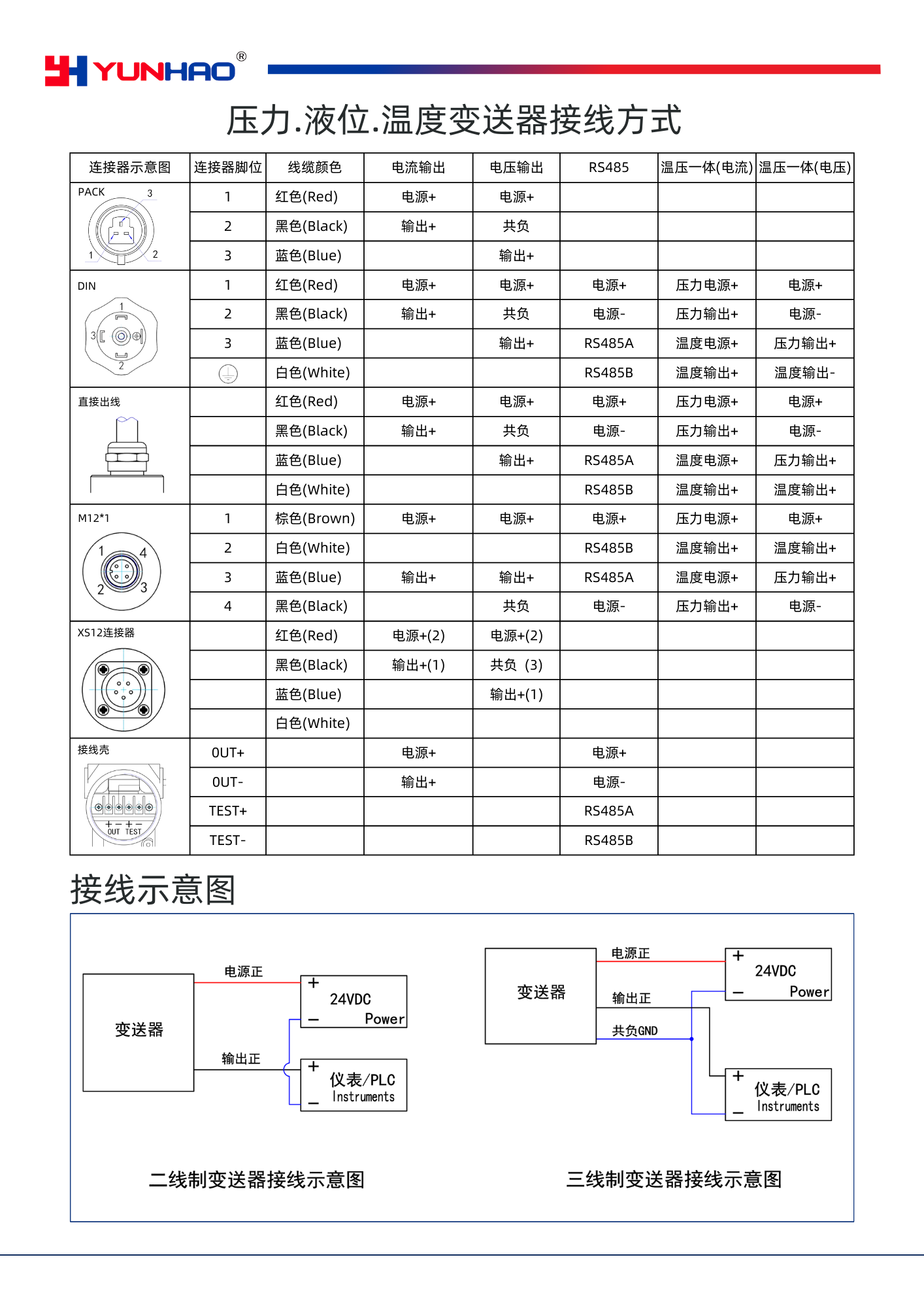
大赫斯曼、航空插头、防水出线、M12*1

长期稳定性

0.2%FS/年

负载能力

电流型:R=(U-8V)/0.02Ω

接液材质

304、17-4PH



产品系列图片   
















产品系列寸图 



产品中心
PRODUCTS
联系我们 →
推荐产品
  • WP23 / WP26 系列 风压变送器
  • WP23 / WP26 系列 风压变送器
  • PT2497 齐平膜压力变送器
  • PY9000智能数字显示仪表(160*80)
  • PY9000智能数字显示仪表(96*96)
  • PY9000智能数字显示仪表(48*48)
  • PT84 防爆卫生型压力变送器
  • FCS102-12T环形压力传感器
  • PT28 经济型压力变送器
  • PT6357 数显压力开关
  • PT2451 隔膜卫生型压力变送器
  • PT2401 隔膜卫生型压力变送器
  • PT2301 通用型压力变送器
  • PT230X 通用型压力变送器
  • PT230X 通用型压力变送器
  • 称重千斤顶
  • RS1031-冗余霍尔传感器
  • PT2700 中高温卫生型压力变送器
  • PT8487 防爆卫生型压力变送器
  • PT2497 齐平膜压力变送器